Leboard.ruВыбор пользователей Яндекс– Выбор пользователей по данным Яндексаi Знак “Выбор пользователей” получают сайты с высокой степенью вовлечённости и лояльности пользователей по данным Яндекса
open chatПодать объявлениевверх

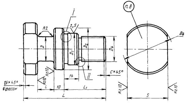
Переходники для кокилей гост 21090-75

договорная цена
Переходники для кокилей гост 21090-75
Изготавливаем переходники, предназначенные для крепления плит выталкивателей к штоку кокильных машин по ГОСТ 21090-75, а именно: Переходник 0401-1101 ГОСТ 21090-75, Переходник 0401-1102 ГОСТ 21090-75, Переходник 0401-1103 ГОСТ 21090-75, Переходник 0401-1104 ГОСТ 21090-75, Переходник 0401-1105 ГОСТ 21090-75, Переходник 0401-1106 ГОСТ 21090-75, Переходник 0401-1107 ГОСТ 21090-75, Переходник 0401-1108 ГОСТ 21090-75. Можем делать как условные размеры М24, М30х1,5, М36х1,5, так и по вашим чертежам и параметрам, из сталей 45, 40Х, 40Х13, а так же возможна замена на другие стали с механическими свойствами не ниже, чем у Ст.45. Данный переходник идет с термической обработкой HRC 35-40 и покрытием Хим.Окс.прм (05) или же любым другим по вашему желанию.
Моб
Раб


ООО ТПК «СпецРусМетиз»
кокильная машина, машина кокильного литья, кокильные машины для литья металлов, купить кокильную машину, кокильная машина для литья алюминия, выталкиватель, кокиль, литье в кокиль, отливка в кокиль
Местоположение
Омск, Россия
Показать на карте
Более месяца назад, 267 просмотров Пожаловаться